Stützfuß der Serie SO
Neue Ausdrehbare Stützfüße mit Schwenkfunktion optimiert
Was ist hier Optimiert worden.
- Einsatz von 2 Zahnradpaaren, welche versetzt angeordnet sind (2 Zahnradpaare ermöglichen eine Übertragung von höheren Kräften, sowie einen saubereren Lauf durch die Verdoppelung der Zähnezahl).
- Zahnräder sind fest verschweißt und / oder Formschlüssig mit den Achsen verbunden (Übertragung höherer Kräfte).
- Verwendung hochwertiger Lager.
- Zweite Antriebs-Möglichkeit über den oberen Sechskant am Ende der Spindel.
- 5mm starke Endscheibe am Außenrohr (mehr Stabilität).
- Keine Verwendung von Kunststoffkappen, die verloren gehen können.
- Kompakter und leichter.
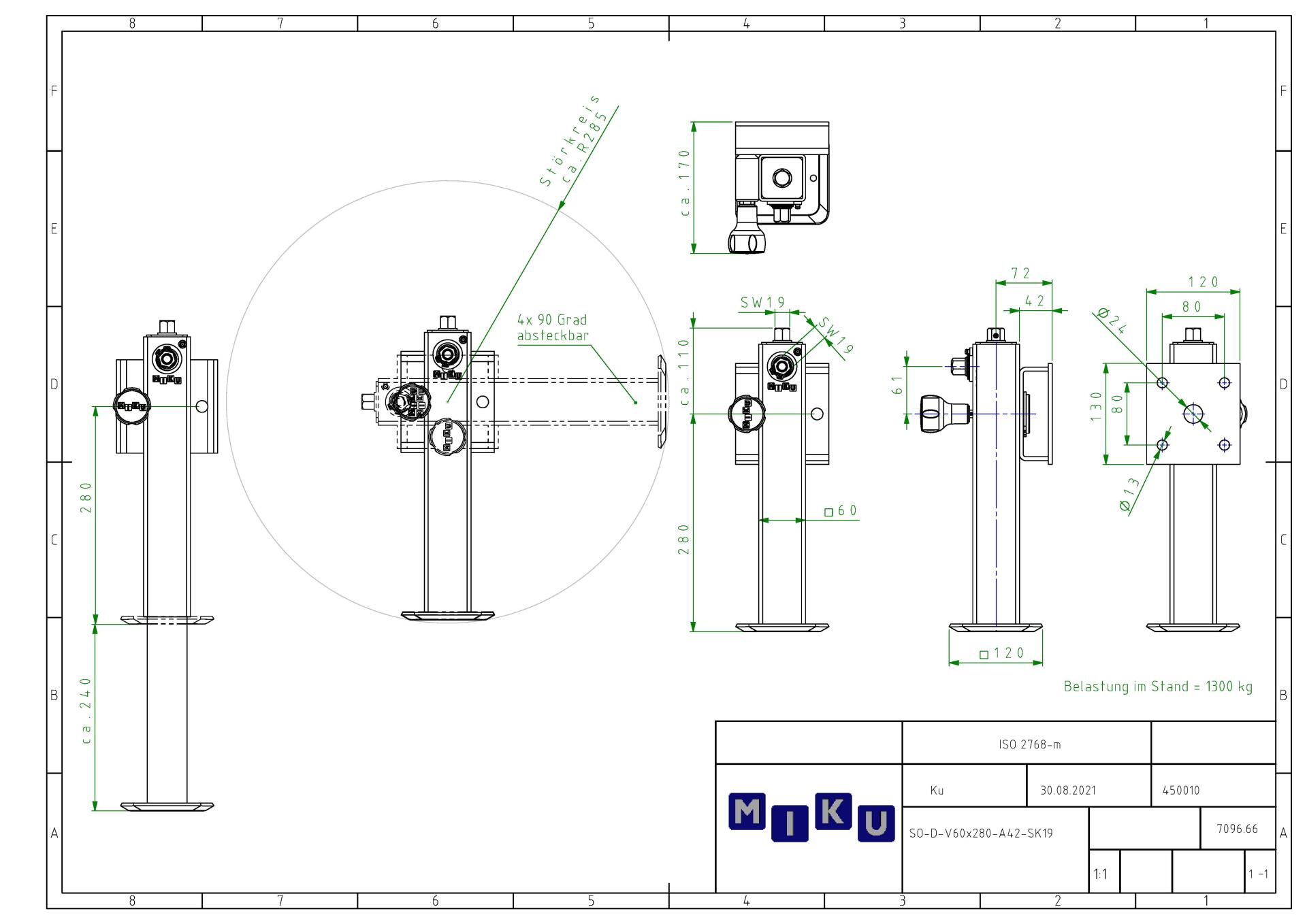
Die sehr stabilen Stützfüsse gibt es in 2 Standardlängen, 280mm mit einer Ausdrehlänge von 235mm sowie 400mm mit einer Ausdrehlänge von 365mm. (länge bezieht sich auf Mitte Adapter bis unterkante Stützplatte eingedreht)
Sie sind mit zwei Sechskanten SW19 je einer an der Vorder und Oberseite oder einer Festverbauten Kurbel an der Vorderseite und einem Sechskant SW19 an der Oberseite zu bekommen.
Die Statische Belastbarkeit der Stützen beträgt pro Stütze 1300 kg.
Zur Befestigung gibt es 2 verschiedene Standardbefestigungen Dreh und steck bar mit Sperrbolzen oder mit festen Adapter.
Jeweils in 90 grad schritten arretierbar.
Gerne gehen wir hier aber auch auf ihre Sonderwünsche ein!
Stützfüße ausdrehbar, länge 280 mm, schwenkbar in 4 x 90 Grad absteckbar, fester Adapter höhe 42 mm, mit Sechskante SW19
Stützfüße ausdrehbar, länge 280 mm, schwenkbar in 4 x 90 Grad absteckbar, fester Adapter höhe 85 mm, mit Sechskante SW19
Stützfüße ausdrehbar, länge 400 mm, schwenkbar in 4 x 90 Grad absteckbar, fester Adapter höhe 42 mm, mit Sechskante SW19
Stützfüße ausdrehbar, länge 400 mm, schwenkbar in 4 x 90 Grad absteckbar, fester Adapter höhe 85 mm, mit Sechskante SW19











